Zum Hauptinhalt springen Zur Suche springen Zur Hauptnavigation springen

Badezimmer-Lüfter - Überblick über eine Badezimmerlüftung

-
Warum ist ein Badezimmerlüfter wichtig und welche Risiken bestehen ohne eine Badezimmerlüftung? Luftfeuchtigkeit befindet sich überall, doch in mit Wasser agierenden Räumen steigt die Feuchtigkeit in der Luft erheblich an und setzt sich an Wänden und auf Möbeln ab. Gerade beim Duschen und Baden legt sich Wasserdampf in Ecken und Nischen sowie an Wänden und auf den Möbeln ab. Die dadurch entstehenden Feuchtigkeitsprobleme können massive Feuchteschäden am Mauerwerk, aber auch bei der Gesundheit erzeugen - von Stockflecken, Schäden an der Tapete und Möbeln und Gegenständen bis hin zur Schimmelpilzbildung. Diese schadet nicht nur dem Haus, sondern vor allem auch Ihrer Gesundheit.

Eine Lüftung des Badezimmers ist dementsprechend von großer Relevanz, um die Luftfeuchtigkeit zu kontrollieren und regulieren, sowie unangenehme Gerüche zu vermeiden. Dabei gibt es verschiedene Arten von mechanischen Lüftern entsprechend der Situierung des Badezimmers, des Energieverbrauchs und anderer Faktoren.

Badezimmerlüftung – Voraussetzungen von Badezimmern für die Lüfter

Außenliegende Badezimmer haben den Vorteil der Existenz von Fenstern, durch welche Sie den Luftwechsel verstärken können. Das betrifft nicht nur das Badezimmer, sondern jegliche Räume mit Fenstern und sollte daher nicht ignoriert werden. Denn auch beim Lüften können viele Fehler gemacht werden, die den möglichen Schaden schlussendlich nicht verhindern.
Moderne Fenster schließen schall- und luftdicht ab. Dementsprechend wird der notwendige Luftdurchsatz ohne korrektes Lüften nicht erreicht. Heizenergie ist jedoch teuer, wodurch viele Menschen zu nicht ausreichendem Lüften tendieren. Beim „Stoßlüften“ gehen bis zu 30% der eingesetzten Heizenergie verloren. Dieser Verlust steigert sich nur bei der Alternative des dauergekippten Fensters. Doch selbst bei energiesparenden Lüften kann es zu Feuchtigkeitsschäden kommen. Der Gebrauch eines Lüfters mit Wärmerückgewinnung (WRG) spart jährlich im Durchschnitt bis zu 60% des Wärmeverlusts ein – die Geräte haben häufig sogar einen Rückgewinnungsgrad von bis zu 94%. Daher ist es empfehlenswert, einen zusätzlichen Ventilator einzubauen.

Für innenliegende Badezimmer ohne Fenster bzw. nur sehr kleinen Fenstern wird nach der
DIN 18017 Teil 1 und 3 ein stündlicher Raumluftwechsel bei der Lüftung vorgeschrieben. Der Einbau einer mechanischen Badezimmerlüftung ist also unumgänglich.
Luftbude Tipp:
Ihre Wohnung sollte hermetisch abschließbar sein. Für einen minimalen Luftwechsel reicht ein Schlitz unter der Tür, der ausreichen sollte, um eine Zeitung hindurchzuschieben. Alternativ können Lüftungsgitter in die Türen eingebaut werden, um den minimalen Luftaustausch zu garantieren.

Arten von Badezimmer-Lüfter und Ihre Funktionsweise

Grundsätzlich lassen sich zwei Arten des mechanischen Badezimmerlüfters unterscheiden: das zentrale und das dezentrale Belüftungssystem.
agiert über eine Haustechnikanalage, die für das gesamte Gebäude verantwortlich ist. Meist ist diese mit einem Wärmetauscher gekoppelt, um die Wärme aus der Abluft an die Zuluft zu übertragen und somit einen geringen Energieverlust zu gewährleisten. Die Abluft wird dann über einen Lüftungsschacht nach außen getragen. Diese Form der Lüftung wird beim Hausbau installiert und kann nachträglich nur noch mit sehr hohem Aufwand eingebaut werden. Auch die Badezimmerlüftung wird daher durch das zentrale Gerät gesteuert und umgesetzt.
kommt deutlich häufiger zum Einsatz und stellt eine sinnvolle Lösung für den Privatbedarf dar. Dabei gibt es zwei Arten von Badezimmer-Lüftern:
Der Radial-Ventilator besitzt eine Laufradachse, bei der die eingesaugte feuchte Luft nach außen gepresst und verdichtet wird.
Der Axial-Ventilator besitzt eine Propellerachse. Die aus dem Raum eingesaugte feuchte Luft wird in Richtung dieser Achse gefördert und es entstehen effektive Volumenströme, wodurch der Stromverbrauch gering bleibt.
Diese dezentralen Badezimmer-Lüfter können in zwei Formen auftreten:
Lüfter mit Wärmerückgewinnung (WRG), welche die Wärme aus der Abluft auf die Frischluft übertragen sind etwas teurer in der Anschaffung als Geräte ohne WRG. Dafür sparen Sie jedes Jahr erhebliche Heizkosten, da die Wärme trotz der Abluft erhalten bleibt.
Miniventilatoren ohne WRG hingegen transportieren die Abluft durch ein Rohr nach draußen und können mit einem separaten Schalter gekoppelt werden. Sie sind unauffällig, besitzen jedoch regulär keine Wärmerückgewinnung und verschwenden somit bei jedem Lüftungsvorgang Energie.
Generell kann die Steuerung des Badezimmer-Lüfters auf unterschiedliche Arten erfolgen:
Der Ventilator arbeitet mit einer Anlaufverzögerung von ca. 30 Sekunden und besitzt eine Nachlaufzeit über einen voreingestellten Zeitraum zwischen 2 und 30 Minuten. Dadurch wird sichergestellt, dass die zuvor entstandene Luftfeuchtigkeit ausgeglichen wird. Diese Funktion ist nur möglich, wenn der der Lüfter eine Dauerstromphase von 220 Volt besitzt. Eine nur geschaltete Phase bspw. über den Lichtschalter ist dafür nicht ausreichend.
Der Ventilator reagiert auf einen Einschaltimpuls, der über einen eingebauten Sensor erfolgt. Dieser besitzt meist einen Erfassungsbereich von ca. 7m. Der gesamte Betrieb sowie die Nachlaufzeit werden über diesen Impuls gesteuert. Ein Vorteil dieser Funktion zeigt sich im Einbau, da das Gerät lediglich an eine Steckdose bzw. einen Verteiler angeschlossen werden muss und weitere Baumaßnahmen umgangen werden können.
Der Badezimmerlüfter kann auch über einen Taster fest ein- und ausgeschaltet werden
Integrierte Sensoren überwachen permanent die Raumqualität und werden aktiv, wenn diese vorab definierten Schwellenwerte überschritten werden. Der Ventilator überwacht und hält beispielsweise die relative Luftfeuchtigkeit im Badezimmer und reagiert automatisch mit der Lüftung, wenn die Luftfeuchtigkeit den voreingestellten Höchstwert übersteigt. Dieser ist einstellbar zwischen 50% und 90%. Sollte die Feuchtigkeit unter dem voreingestellten Wert liegen, wird der Nachlauf für die voreingestellte Zeit aktiviert.
Zusätzliche integrierte Sensoren können sein:
🠖 Hygrostat / Feuchtefühler
🠖 CO² - Sensor
🠖 Lichtsensor
🠖 Geruchssensor (VOC)

Finden Sie die richtige Lüftung für Ihre Situation

Einbau und Montage von Badezimmer Lüftern

Worauf muss vor der Montage des Lüfters geachtet werden?

Zu Beginn sollte immer erst der Bedarf geklärt werden. Wie ist Ihr Badezimmer situiert? Ist es innen- oder außenliegend? Wie viele Personen leben in Ihrem Haushalt? Wie soll die Steuerung realisiert werden?

Machen Sie sich mit dem Verlauf und der Positionierung Ihrer Strom- und Wasserleitungen vertraut. Beim Einbau des Lüfters müssen diese unbedingt ausgelassen werden. Die Stromversorgung sollte von einem professionellen Handwerker verlegt werden.
Luftbude Tipp:
Die Installation von Badezimmerlüftern in innen- und außenliegenden Bädern unterscheidet sich allein in der Entfernung vom Lüfter zu einer Außenwand- oder decke. Beim Einbau in innenliegende Räume muss umso mehr auf den Verlauf von Strom- und Wasserrohren geachtet werden, da zusätzliche Rohre für den Lufttransport verlegt werden müssen. Es ist ratsam, hierfür professionelle Hilfe hinzuzuziehen. Zudem hängt die Wahl des Gerätes von der Entfernung zur Außenwand ab. Badezimmerlüfter in innenliegenden Bädern benötigen einen Luftschacht, bei dem die Abluft in der Regel über das Dach entweichen kann.

Anleitung zur selbstständigen Montage von Badezimmer-Lüfters

1. Passenden Badezimmer-Lüfter ermitteln, anhand der Voraussetzungen im Bad sowie an den Gebrauch

2.
Verschaffen Sie sich genaue Kenntnisse zur Beschaffenheit des Baumaterials Ihrer Decke bzw. Wände, um die entsprechenden Baugeräte auswählen zu können.

3.
Führen Sie eine Kernbohrung mit dem passenden Durchmesser durch (meist 100mm). Dafür ist es sinnvoll, einen Fachmann hinzuzuziehen, da dieser das entsprechende Werkzeug besitzt. Achten Sie bei der Positionierung des Gerätes auf die Angaben des Herstellers.

4.
Führen Sie ein PVC-Luftrohr in die Bohrung ein. Dies garantiert einen sauberen Luftwechsel, ohne dass Feuchtigkeit in das Mauerwerk eindringen kann.

5.
Nun findet die Elektroinstallation statt. Diese kann im Unter- und Aufputz geschehen. Auch hier ist eine Fachkraft empfehlenswert. Die Geräte enthalten immer eine Montageanleitung für die eigenständige Installation.
 ACHTUNG: Die Einstellung von zusätzlichen Funktionen sollte im spannungsfreien Zustand vorgenommen werden!

6.
Die Badezimmerlüftung kann nun in oder an das Lüftungsrohr eingesetzt werden

7.
Abhängig vom Gerät wird dieses nun mit Dübeln oder Schrauben an der Wand oder Decke fixiert.

8.
Unabhängig von der Position Ihres Badezimmers mündet das Lüftungsrohr durch eine Wand- oder Deckenaußenseite in der Freiluft. Die Außenseite muss nun mit einem Lüftungsgitter oder einer entsprechenden Haube Ihrer Wahl versehen werden.
Luftbude Tipp:
Das Nachlaufrelais kann separat in einer Unterputz-Dose mit 55mm Durchmesser und 40mm Tiefe hinter dem Schalter eingebaut werden. Aufgrund des großen Aufwands dieser Installation, ist ein Gerät mit integrierter Nachlaufzeit zu empfehlen.

Eigenständige Verkabelung eines Badezimmer-Lüfters

ACHTUNG: Nutzen Sie 5-adrige Kabel, statt 3-adrige, um eine Schaltung per Licht- oder separaten Schalter zu ermöglichen. Alle Verteiler sind nach DIN 43880 genormt.
Wichtige Praxiserfahrungen im Überblick:
Kennfarbe Braun: der stromführende Außenleiter, die Phase. Über diese Ader fließt der Strom zur Leuchte. Das Kürzel für den Außenleiter ist L.


Kennfarbe Blau: der Neutralleiter oder Nullleiter mit dem Kürzel N. Der Strom, der durch den braunen Draht geflossen ist, fließt durch die blaue Ader wieder „zurück“.


Kennfarbe Grün-Gelb: der Schutzleiter, auch Erdung genannt (PE). PE steht für „Protective Earth“, also Schutzerdung. Bei Elektrogeräten, die nicht schutzisoliert sind, leitet der grüngelbe Schutzleiter die gefährliche Berührungsspannung in die Erde.
Kennfarbe Schwarz: Außenleiter, Phase (L)
Kennfarbe Grau: Neutralleiter, Nullleiter (N)
Kennfarbe Rot: Schutzerdung, Erde (PE)

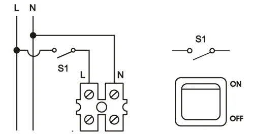
Anschlussplan für Badezimmer-Lüfter ohne Nachlauf und Feuchtigkeitssensor:


🠖 Achten Sie darauf, dass die komplette Anlage spannungsfrei ist! Überprüfen Sie dies mit entsprechenden Messgeräten.

🠖
Nehmen Sie die Abdeckung zur Verkabelung des Gerätes ab, um an die Lüsterklemme zu gelangen.

🠖
Teilen Sie die Kabel wie folgt auf: der Schutzleiter zur Seite; der Außenleiter, der stromführende Außenleiter und der Neutralleiter werden zum Kabelverteiler im Gerät geführt und in der Reihenfolge von links nach rechts Schwarz, Blau angerichtet. Die Lüsterklemme ist meist auch beschriftet.

🠖 Kürzen Sie die Kabel entsprechend des Abstands zum Verteiler.

🠖 Die Ummantelungen dieser drei Kabel werden nun um 4mm entfernt.

🠖 Kürzen Sie nun den Schutzleiter.

🠖 Setzen Sie nun die drei Kabel in den Verteiler ein und schrauben Sie diese fest.

🠖 Der Schutzleiter kann nun mit Isolierband versehen werden.

🠖 Verschließen die Abdeckung.

🠖 Der Außenleiter ist mit dem Lichtschalter oder einem separaten Schalter verbunden. Das Gerät wird beim Schalten aktiviert.
= geschaltete Phase 220 Volt vom Lichtschalter (schwarz)
= Neutralleiter (blau)

Anschlussplan für Badezimmer-Lüfter mit Nachlauf und Feuchtigkeitssensor:

🠖 Achten Sie darauf, dass die komplette Anlage spannungsfrei ist! Überprüfen Sie dies mit entsprechenden Messgeräten.

🠖
 Nehmen Sie die Abdeckung zur Verkabelung des Gerätes ab, um an die Lüsterklemme zu gelangen.

🠖
 Teilen Sie die Kabel wie folgt auf: der Schutzleiter zur Seite; der Außenleiter, der stromführende Außenleiter und der Neutralleiter werden zum Kabelverteiler im Gerät geführt und in der Reihenfolge von links nach rechts Braun, Schwarz, Blau angerichtet. Die Lüsterklemme ist meist auch beschriftet. Der stromführende Außenleiter sorgt für einen Dauerstrom, welcher die zusätzlichen Funktionen ermöglicht.

🠖
 Kürzen Sie die Kabel entsprechend des Abstands zum Verteiler.

🠖
 Die Ummantelungen dieser drei Kabel werden nun um 4mm entfernt.

🠖
 Kürzen Sie nun den Schutzleiter.

🠖
 Setzen Sie nun die drei Kabel in den Verteiler ein und schrauben Sie diese fest.

🠖
 Der Schutzleiter kann nun mit Isolierband versehen werden.

🠖
 Verschließen die Abdeckung.

🠖
 Der Außenleiter ist mit dem Lichtschalter oder einem separaten Schalter verbunden. Das Gerät wird beim Schalten aktiviert (Ausnahme: wenn der Badezimmerlüfter mittels integrierter Sensoren gesteuert werden soll)
= Dauerstromphase 220 Volt (schwarz)
= geschaltete Phase 220 Volt vom Lichtschalter (braun)
= Neutralleiter (blau)

Der richtige Badezimmer-Lüfter - Worauf muss bei der Wahl geachtet werden?

Aus den gesammelten Informationen können Sie nun mit folgender Faustformel die notwendige Förderleistung ermitteln, welche Ihre Lüftung besitzen sollte. Es ist jedoch empfehlenswert, sich von professioneller Seite zusätzlich beraten zu lassen.
Berechnung Ventilatorgröße:
Rauminhalt in m³ x Luftwechsel pro Stunde = erforderte Förderleistung in m³/h
Die Wahl des Lüfters hängt auch von der Entfernung zur Freiluft ab. Bei innenliegenden Badezimmers ist der Radial-Ventilator geeignet, da dieser für lange Förderstrecken ausgelegt ist. Bei außenliegenden Badezimmern hingegen ist der Axial-Ventilator sinnvoll.

Achten Sie darauf, dass Ihr Gerät das VDE-GS Zulassungszeichen besitzt. Es markiert die Produktsicherheit des Badezimmer-Lüfters.

Ebenso obligatorisch ist ein Feuchtraum-FI-Schalter oder auch Fehlerstrom-Schutzschalter genannt. Dieser befindet sich im Sicherungskasten und soll vor Kurzschlüssen schützen.

Das Gerät sollte über eine Rückschlagklappe verfügen bzw. sollte diese eingebaut werden. Sie verhindert das Eindringen von kalter Luft von außen durch den Verschluss der Membran hinter dem Lüfter.

Die DIN 4005-1 schreibt Lüftern in Wohnungsräumen eine Schutzart P4 gegen Spritzwasser vor.
Achten Sie auf das Vorhandensein eines automatischen Innenverschlusses, um einen Wärmeverlust zu vermeiden.
Luftbude Tipp:
Wählen Sie einen Lüfter mit selbstschließenden Jalousienfunktion oder einer Rückschlagklappe, damit im Stillstand keine kalte Luft von außen nach innen eindringen kann.

Wartung und Reinigung: Die Haltung eines Lüfters ist recht simpel. Es bedarf lediglich einer jährlichen Reinigung und Desinfizierung und das Gerät bleibt Ihnen lange erhalten

Fazit – So finden Sie Ihren Badezimmer-Lüfter

Sowohl bei der Planung, der Wahl der Materialien als auch bei der Montage ist professionelle Beratung zu empfehlen.
Wichtig: Achten Sie bei der Wahl Ihres Lüftungshändlers auf zwei wesentliche Merkmale:
a) Breites Produktportfolio für eine neutrale Beratung
b) Ausreichend Lüftungsexpertise
Nicht nur die Wahl eines guten Badezimmer-Lüfters ist wichtig, sondern auch die Berücksichtigung der individuellen Situation vor Ort. Nicht jedes gute Gerät passt aufgrund der Produktmerkmale zu jeder Einbausituation. Außerdem sind manchmal kleinere Details entscheidend, um im späteren Gebrauch bei der Lüftung keine Nachteile zu spüren (Bsp: Rückschlagklappe oder Verletzungsschutz beim Ventilator). Leider beraten viele Marktakteure immer noch subjektiv, da diese meist nur Handelsbeziehungen zu einem Hersteller führen. Hier besteht das Risiko, dass Sie nicht den passenden Badezimmer-Lüfter für Ihre Badsituation empfohlen bekommen. Achten Sie daher unbedingt auf eine neutrale Beratung ohne Herstellerschwerpunkt.
Was Luftbude auszeichnet
Luftbude ist ein unabhängiger Spezialfachhandel für dezentrale Lüftungstechnik. Für uns steht die Zufriedenheit des Kunden im Fokus – denn weder unsere Kunden noch wir mögen aufwendige Reklamationen. Ein guter Badezimmer-Lüfter soll ein Leben lang funktionieren und Ihr Bad vor Feuchteschäden schützen.

Durch direkten Kontakt mit dem Hersteller erreichen wir faire Preise, die wir an unsere Kunden weitergeben möchten. Dabei handelt es sich ausschließlich um Qualitätsware, die zunächst einen Praxistest durchläuft, bevor sie ins Sortiment aufgenommen wird. Erfahrene Lüftungsplaner, Monteure und Fachberater ermöglichen eine neutrale Beratung im Sinne des Kunden via Telefon, schriftlich und vor Ort.
Gerne unterstützen wir Sie auch mit einer kostenfreien Lüftungsplanung Ihrer gesamten Wohneinheit. Nach Zuschicken des Grundrisses, erfolgt hier eine Lüftungsplanung mit Auslegungsvorschlag. Die passenden Geräte werden dabei direkt in den Plan eingezeichnet, um die spätere Montage zu erleichtern. Durch ein großes Netzwerk an Monteuren und Installateuren können für den Auftrag passende Handwerker in Kundennähe vermittelt werden. Bei größeren Aufträgen agiert das hauseigene Montageteam von Luftbude. Der Montageservice beinhaltet Hilfestellung bei der Montage, Klärung neu aufkommender Fragen und kostenfreier Umtausch oder Anpassung der Bestellung auf Wunsch. Es gibt auf fast alle Produkte fünf Jahre Händlerrabatt statt der nur zweijährigen gesetzlichen Garantieleistung. Die Waren können bis zu zwei Wochen nach dem Kauf kostenfrei reklamiert werden, ohne dass dabei für den Kunden Versandkosten entstehen. Durch den kostenfreien After-Sale-Service wird der Kunde stets begleitet.

Jetzt Lüftungslösung anfragen


 

Luftbude mit vielen Vorteilen
Andreas Wulf - Sachverständiger Lüftungslösungen
Über den Autor...

Mein Name ist Andreas Wulf und ich bin ein Lüftungsexperte mit langjähriger Erfahrung in der Planung und Installation von Lüftungssystemen. Ich bin bestrebt, für meine Kunden eine optimale Raumluftqualität und Energieeffizienz zu erreichen. Mit meinem fundierten Fachwissen stehe ich seit 2020 dem Unternehmen Luftbude zur Seite.

Andreas Wulf, Sachverständiger Lüftungslösungen


Quellennachweis
Für diesen Artikel wurden Erfahrungswerte mehrerer Lüftungsexperten, Bausachverständiger, Handwerker sowie Hersteller aufgearbeitet und zusammengefasst. Als Grundlage dienen hierfür aktuelle Normen, Gutachten sowie neutrale Prüfprotokolle unabhängiger Messdienstleister. 

Loading…
Loading the web debug toolbar…
Attempt #